Type RRC


For full Murtfeldt listings, click here.
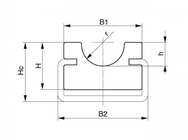
| Belt type | C profile | B1 | B2 | H | Hc | h | r | Material | 2000mm Length Article # | 3048mm Length Article # |
|---|---|---|---|---|---|---|---|---|---|---|
| 5 | C3 | 20 | 20 | 10 | 15 | 3 | 3 | S Black Antistatic | 231110035 | 231160032 |
| Galvanized | 351020003 | 351120003 | ||||||||
| 5 | C3 | 20 | 20 | 10 | 15 | 3 | 3 | S Black Antistatic | 231110035 | 231160032 |
| V2A | 351020103 | 351120103 | ||||||||
| 6.3 | C3 | 20 | 20 | 15 | 18 | 4 | 4 | S Black Antistatic | 231110036 | 231160015 |
| Galvanized | 351020003 | 351120003 | ||||||||
| 6.3 | C3 | 20 | 20 | 15 | 18 | 4 | 4 | S Black Antistatic | 231110036 | 231160015 |
| V2A | 351020103 | 351120103 | ||||||||
| 8 | C3 | 20 | 20 | 15 | 18 | 5 | 5 | S Black Antistatic | 231110037 | 231160016 |
| Galvanized | 351020003 | 351120003 | ||||||||
| 8 | C3 | 20 | 20 | 15 | 18 | 5 | 5 | S Black Antistatic | 231110037 | 231160016 |
| V2A | 351020103 | 351120103 | ||||||||
| 9.5 | C5 | 25 | 28 | 15 | 20 | 6 | 6 | S Black Antistatic | 231110038 | 231160017 |
| Galvanized | 351020005 | 351120005 | ||||||||
| 9.5 | C5 | 25 | 28 | 15 | 20 | 6 | 6 | S Black Antistatic | 231110038 | 231160017 |
| V2A | 351020105 | 351120105 | ||||||||
| 12.5 | C5 | 28 | 28 | 15 | 20 | 8 | 7 | S Black Antistatic | 231110039 | 231160018 |
| Galvanized | 351020005 | 351120005 | ||||||||
| 12.5 | C5 | 28 | 28 | 15 | 20 | 8 | 7 | S Black Antistatic | 231110039 | 231160018 |
| V2A | 351020105 | 351120105 | ||||||||
| 15 | C9 | 33 | 38 | 20 | 25 | 10 | 9 | S Black Antistatic | 231110040 | 231160019 |
| Galvanized | 351020009 | 351120009 | ||||||||
| 15 | C9 | 33 | 38 | 20 | 25 | 10 | 9 | S Black Antistatic | 231110040 | 231160019 |
| V2A | 351020109 | 351120109 | ||||||||
| 18 | C9 | 38 | 38 | 20 | 25 | 12 | 10 | S Black Antistatic | 231110041 | 231160020 |
| Galvanized | 351020009 | 351120009 | ||||||||
| 18 | C9 | 38 | 38 | 20 | 25 | 12 | 10 | S Black Antistatic | 231110041 | 231160020 |
| V2A | 351020109 | 351120109 |